油簡單壓力霧化噴嘴
2015-09-06 08:49:58
簡單壓力霧化噴嘴的進油壓力一般為2~5MPa,運行過程中的噴油量是通過改變進油壓力來調節的,但進油壓力降低會使霧化質量變差,因此負荷調節范圍受到限制,這種噴嘴的最大負荷調節比為1:2。
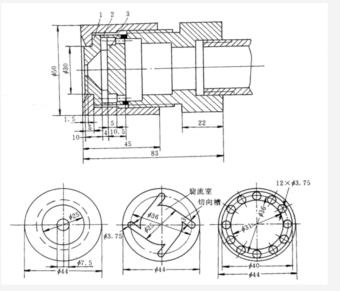
圖3-1為切向槽式簡單壓力霧化噴嘴,主要由霧化片、旋流片、分流片構成。由油管送來的具有一定壓力的燃油,先經過分流上的幾個進油孔匯合到環形槽中,

1-霧化片 2—旋流片 3—分流片
常用燃油霧化噴嘴特性比較表
注:目前大多數燃油鍋爐采用機械霧化、低壓空氣霧化、蒸汽霧化和轉杯霧化。
再進入旋流片上的切向槽,獲得很高的速度后,以切向流入旋流片中心的旋流室,燃油在旋流室中產生強烈的旋轉,最后從霧化片上的噴口噴出,并在離心力作用下迅速被粉碎成許多細小的油粒,同時形成一個空心的圓錐形霧化炬。



